|  CHUCK ADAPTERS Chuck Adapter Plates ASA B5.9 Type A  (Interchangeable DIN 55026)
 SPINDLES 
                      
                        
                          | MODEL | NOSE | 5 | 6 | 8 | 11 | 15 |  
                          | N | 6 | CB-06A05 |  |  |  |  |  
                          | 8 | CN-08A05 | CB-08A06 |  |  |  |  
                          | 10 |  | CN-10A06 | CB-10A08 |  |  |  
                          | 12 |  | CN-10A06 | CB-10A08 |  |  |  
                          | NLT | 6 | CBT0GA05 |  |  |  |  |  
                          | 8 | CNT08A05 | CBT08A06 |  |  |  |  
                          | 10 |  | CBT10A06 | CBT10A08 |  |  |  
                          | 12 |  | CBT10A06 | CBT10A08 |  |  |  
                          | B | 6 | CB-06A05 |  |  |  |  |  
                          | 8 | CB-08A05 | CB-08A06 |  |  |  |  
                          | 10 |  | CB-10A06 | CB-10A08 |  |  |  
                          | 12 |  | CB-10A06 | CB-10A08 |  |  |  
                          | 15 |  |  | CB-15A08 | CB-15A11 |  |  
                          | 18 |  |  | CB-18A08 | CB-18A11 |  |  
                          | 21 |  |  |  | CB-21A11 | CB-21A15 |  
                          | 24 |  |  |  | CB-21A11 | CB-21A15 |  
                          | BT | 6 | CBT06A06 |  |  |  |  |  
                          | 8 | CBT08A05 | CBT08A06 |  |  |  |  
                          | 10 |  | CBT10A06 | CBT10A08 |  |  |  
                          | 12 |  | CBT10A06 | CBT10A08 |  |  |  
                          | 15 |  |  | CBT15A08 | CBT15A11 |  |  
                          | B-200, BL-200 | 6 | CB-06A05 |  |  |  |  |  
                          | 8 | CB-08A05 | CB-08A06 |  |  |  |  
                          | 10 |  | CB-10A06 | CB-10A08 |  |  |  
                          | 12 |  | CB-10A06 | CB-10A08 |  |  |  
                          | BT200 | 6 | CBT06A05 |  |  |  |  |  
                          | 8 | CBT08A05 | CBT08A06 |  |  |  |  
                          | 10 |  | CBT10A06 | CBT10A08 |  |  |  
                          | 12 |  | CBT10A06 | CBT10A08 |  |  |  
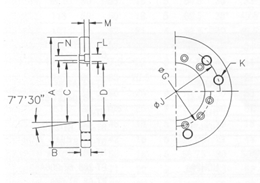
 DIMENSIONS (Dimensions in Inches) 
                      
                        
                          | 
 Fig. 1 | 
 Fig. 2 |  ** Spindle Adapter Plates are manufactured to close tolerances and fits. These dimensions are for reference only!  
                      
                        
                          | MODEL | CB06A05 | CB08A05 | CB08A06 | CB10A06 | CB10A08 | CB15A08 | CB15A11 | CB18A08 | CB18A11 | CB21A11 | CB21A15 | CN10A06 |  
                          | Spindle Nose | A2-5 | A2-5 | A2-6 | A2-6 | A2-8 | A2-8 | A2-11 | A2-8 | A2-11 | A2-11 | A2-15 | A2-6 |  
                          | A | 5.512 | 6.693 | 6.693 | 8.661 | 8.661 | 11.811 | 11.811 | 14.961 | 14.961 | 14.961 | 14.961 | 7.874 |  
                          | B | 0.591 | 0.866 | 0.669 | 0.984 | 0.709 | 1.299 | 0.866 | 1.299 | 0.866 | 1.614 | 1.063 | 0.787 |  
                          | C | 3.250 | 3.250 | 4.188 | 4.188 | 5.501 | 5.501 | 7.751 | 5.501 | 7.751 | 7.751 | 11.25 | 4.188 |  
                          | D | 3.138 | 3.138 | 4.055 | 4.055 | 5.354 | 5.512 | 7.563 | 5.512 | 7.563 | 7.563 | 9.921 | 4.055 |  
                          | E | 0.641 | 0.641 | 0.766 | 0.766 | 0.953 | 0.953 | 1.156 | 0.953 | 1.156 | 1.156 | 1.406 | 0.766 |  
                          | F | 0.256 | 0.256 | 0.256 | 0.256 | 0.315 | 0.315 | 0.394 | 0.315 | 0.394 | 0.394 | 0.394 | 0.256 |  
                          | G | 4.125 | 4.125 | 5.250 | 5.250 | 6.750 | 6.750 | 9.252 | 6.750 | 9.252 | 9.252 | 13.000 | 5.250 |  
                          | H | 0.472 | 0.433 | 0.531 | 0.531 | 0.669 | 0.669 | 0.827 | 0.669 | 0.827 | 0.827 | 0.945 | 0.531 |  
                          | J | 4.567 | 5.250 | 5.906 | 6.750 | 7.480 | 9.252 | 10.236 | 9.252 | 12.598 | 13.000 | 13.000 | 6.750 |  
                          | K |  | M12 |  | M16 |  | M20 |  | M20 |  | M22 |  | M16 |  
                          | L | 0.433 | 0.669 | 0.433 | 0.787 | 0.551 | 0.984 | 0.669 | 0.984 | 0.669 | 1.260 | 0.787 | 0.787 |  
                          | M | 0.276 | 0.433 | 0.276 | 0.531 | 0.394 | 0.669 | 0.433 | 0.669 | 0.433 | 0.827 | 0.591 | 0.315 |  
                          | N | 0.260 |  | 0.260 |  | 0.354 |  | 0.433 |  | 0.433 |  | 0.531 |  |  
                          | Fig. | 1A | 2 | 1B | 2 | 1C | 2 | 1C | 2 | 1C | 2 | 1D | 2 |  For ASA B5.9 Type A (Interchangeable DIN 55026) Spindles  SHORT TAPER SPINDLE NOSE STANDARDS (Standards in Inches)  
 
                      
                        
                          | SPINDLE NOSE SIZE NO. | A2-5 | A2-6 | A2-8 | A2-11 | A2-15 |  
                          | Outside Diameter | A | 5.236 | 6.496 | 8.268 | 11.024 | 14.961 |  
                          | Max. Taper Diameter | B | 3.251 | 4.188 | 5.501 | 7.751 | 11.251 |  
                          | P.C.R. Outer Bolts | C0 | 2.063 | 2.626 | 3.374 | 4.626 | 6.500 |  
                          | P.C.R. Inner Bolts (A1 Only) | C1 | 1.219 | 1.626 | 2.187 | 3.250 | 4.874 |  
                          | Spigot Height (A1 Only) | D1 | 0.563 | 0.625 | 0.687 | 0.750 | 0.813 |  
                          | Spigot Height (A2 Only) | D2 | 0.512 | 0.551 | 0.630 | 0.709 | 0.748 |  
                          | Driving Stud Diameter | E | 0.626 | 0.750 | 0.937 | 1.126 | 1.374 |  
                          | Driving Stud Height | F | 0.197 | 0.197 | 0.236 | 0.315 | 0.315 |  
                          | Bolt Hole Size | G | M10 | M12 | M16 | M18 | M22 |  Type A1 and A2 ASA B5.9 Type A, DIN 55026, ISO B702 Part 1, BS 4442 Part 1.  |